
產品概述:
云南匯吉實業有限公司生產和銷售的CJ34型電動操作機構用于操作40.5-252KV,GIS組合電器中隔離開關和接地開關,也可操作負載匹配的其他開關。采用蝸桿蝸輪機構傳動,到位機械離合與行程開關斷電能耗制動雙重保護。具有電動手動操作功能,機械壽命6000次。
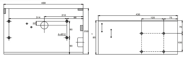
產品主要技術參數:
1、機構規格
型號 | 重量kg | 體積 高×寬×深mm | 輸出扭矩 N.m | 輸出角度(°) | 合閘時間S |
CJ34-1 | 38 | 250×430×085 | 128 | 60°±1° 80°±1° | 2S |
2、配用電機規格
型號 | 額定電壓 V | 額定輸出功率 W | 額定轉速 r/min | 正常工作電壓范圍 |
SBZ804 | ≌220 ≌110 | 240 | 500 | 85%-110%額定電壓 |
