產品概述:
云南匯吉實業有限公司生產和銷售的CT19A彈簧機構可以用于各類固定柜上ZN28型戶內高壓真空斷路器及其合閘功與之相當的其他各類高壓斷路器之用。有過電流及失壓脫扣保護功能,其機械壽命為20000次,該機構輸出轉角為50°~55°。
產品技術參數:
CT19A機構的規格及匹配之主要部件數據如表:
規格 | 重量kg | 體積 高×寬×深mm | 電動機輸入功率(W) | 合閘彈簧mm | 匹配真空斷路器開斷電流KA |
CT19A-Ⅰ | 38 | 530×370×170 | 110 | Ф7 | 20 |
CT19A-Ⅱ | 38 | 530×370×170 | 110 | Ф8 | 31.5 |
CT19A-Ⅲ | 38 | 530×370×170 | 150 | Ф8+Ф4 | 40 |
額定工作電壓(V) | ~110 | ~220 | ~380 | -48 | -110 | -220 | |
額定工作電流(A) | 分 | 2.8 | 1.6 | 2.3 | 1.2 | ||
合 | 1.5 | 1 | 1.5 | 0.68 | |||
額定電功率(W) | 分 | 308 | 352 | 255 | 264 | ||
合 | 165 | 220 | 165 | 150 | |||
20℃時線圈電阻值(Ω) | 分 | 12±0.6 | 48±2.4 | 48±2.4 | 190±10 | ||
合 | 20±1 | 73±4 | 73±4 | 325±15 | |||
正常工作電壓范圍 | 合閘:85%~110%額定工作電壓。 | ||||||
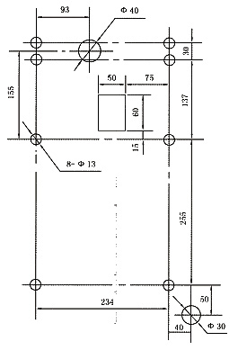
產品安裝尺寸:



