產品概述:
云南匯吉實業有限公司生產和銷售的CT21型彈簧機構用于操作ZFN21-10/630型戶內高壓真空負荷開關、以及合閘功與之相當的其他負荷開關只用。輸出轉角≤40°,其機械壽命為10000次。
產品技術參數:
CT21型彈簧機構(真空負荷開關用)主要技術參數:
1、儲能電機采用永磁式單相直流電機,如用交流電源供電則采用橋堆塊整流后供給,電機技術數據如下表:
型號 | 額定電壓 | 額定輸出功率 | 正常工作電壓范圍 |
53ZY-CY02B | -110V | 40W | 85%~110%額定電壓 |
53ZY-CY01B | -220V | 40W |
2、合閘操作采用搖柄操作(附件)進行儲能合閘操作時最大操作力距不大于48N.m。
3、采用獨立電源供電的分閘電磁鐵之技術數據見下表:
額定工作電壓(V) | ~220 | ~110 | -220 | -110 | -48 |
額定工作電流(A) | 1.6 | 1.5 | 3.5 | ||
額定電功率(W) | 352 | 330 | 390 | ||
20℃時線圈電阻值(?) | 48±4 | 147±10 | 31±3 | ||
正常工作電壓范圍 | 65%~120%額定工作電壓應可靠分閘,小于30%額定工作電壓時不得分閘 | ||||
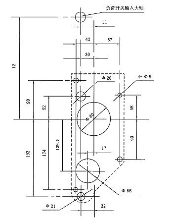
產品安裝尺寸:




