產品概述:
云南匯吉實業有限公司生產和銷售的CT23彈簧操作機構為操作ZW6、ZW8、ZW10及戶外重合器等戶外高壓真空斷路器及其合閘功與之相當的其他斷路器之用,有過電流保護,可遙控操作,吸收通流等功能,該產品分電動、手動兩種,CT23-S為手動機構,CT23-D為電動機構,其機械壽命為10000次。
產品技術參數:
CT23型彈操機構(護外)主要技術數據:
1、本機構的輸出轉角為≤44°
2、分合閘脫扣器、過電流脫扣器及儲能電機的技術參數:
項目 | 合閘線圖 | 分閘線圖 | 過流脫扣線圖 | 儲能電機 |
額定工作電壓V | 交流或直流220 | 交流或直流220 | 交流或直流220 | |
額定工作電流A | 交流小于5直流小于2.5 | 交流小于1.4直流小于0.7 | 5 | 功率≤200W |
正常工作電壓或電流范圍 | 交流85~110%額定電壓直流80~110%額定電壓 | 65%~120%額定電壓(小于30%時不得脫扣) | 大于100%額定電流時可靠分閘小于90%是不得脫扣 | ±10%額定電壓 |
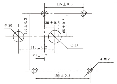
產品安裝尺寸:




